Search
Close this search box.

UM330 | UMF330

Características
  • Unicla 10-cylinder swashplate
  • Suitable for larger commercial applications with a system capacity requirement of 10-14 kW
  • Displacement: 330 cc/rev
  • Maximum continuous: 4500 rpm
  • Smooth and quiet operation with excellent performance through all rev ranges
  • Clockwise and counterclockwise rotation with no change in volumetric efficiency
  • Heavy duty impressed steel gasket and HNBR Japanese high-temperature O-ring (two-point seal)
  • Forged steel cylinder housing
  • Drop-forged 5050 aluminium pistons with synthetic PTFE heat-treated rings
  • Lip seal with high tolerance to heat and operational fatigue
  • Genuine NSK bearings throughout
R134a | R513a Refrigerante
Compressor Óleo Montagem
UM330 PAG56 or POE68 (600 ml) TM/QP31 compatible
R404a | R452a Refrigerante
Compressor Óleo Montagem
UMF330 POE32 (600 ml) TM/QP31 compatible
R1234yf Refrigerante
Compressor Óleo Montagem
UMY330 PAG46 HD (180ml) TM/QP31 compatible

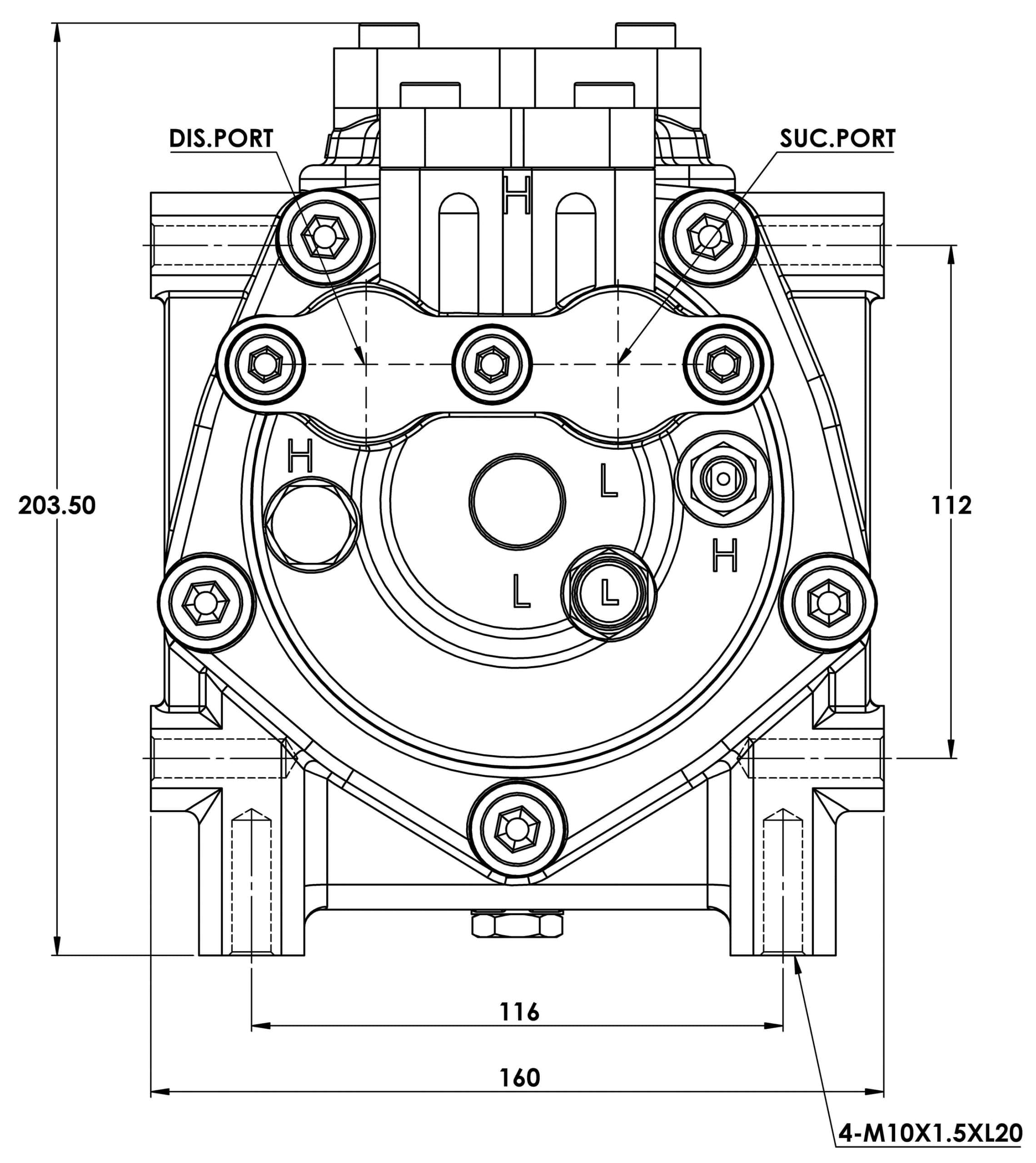
The Multi Direct Mounting system on UM models provides a total of 12 mounting points (four on the left, right and bottom sides) enabling direct compatibility with TM31 and QP31 compressors. Each mounting point has an M10 x 1.5 mm threaded hole, providing excellent flexibility in engine mounting and bracket design.

A low-side service valve is fitted to the rear cap, including a high-pressure relief valve.

An oil return fitting – 7/16-20 UNF male flare (Part No. 42203-000160) – is fitted on top of the compressor. It has a unique flow design suited to the Unicla oil separator (Part No. OS000030) and is interchangeable with the low-side service valve.

Consistent M12 x 1.0 mm access port size. Easy interchange of blanking plugs, service valves, oil return and pressure switch fittings.

Porting for horizontal or vertical hose connections are standard, achieved by heavy duty blanking plates installed on outlets that are not in use. A range of standard hose port manifolds is available.

Type 158 168 178 210 12V 24V HDC
AA-Groove        
B-Groove              
BB-Groove  
6-Groove            
8-Groove              
10-Groove        

Pulley measurements are in millimetres