| R134a | R513a Refrigerante | ||
|---|---|---|
| Compressor | Óleo | Montagem |
| UX330 | PAG56 or POE68 (600 ml) | Direct (all sides) |
| R404a | R452a Refrigerante | ||
|---|---|---|
| Compressor | Óleo | Montagem |
| UXF330 | POE32 (600 ml) | Direct (all sides) |
| R1234yf Refrigerante | ||
|---|---|---|
| Compressor | Óleo | Montagem |
| UXY330 | PAG46 HD (180ml) | Direct (all sides) |
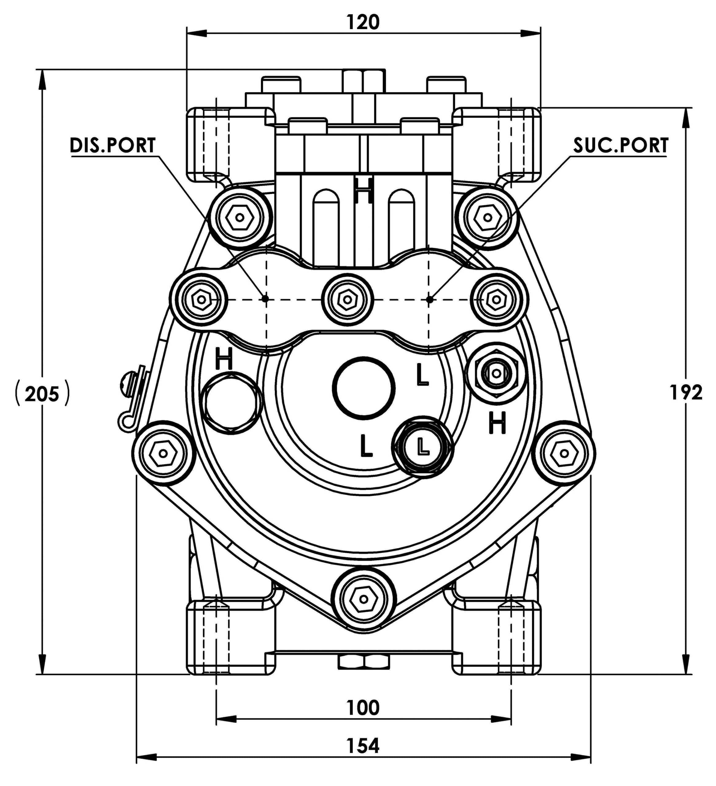
Suited to all mounting brackets made for direct mount (boltthrough) compressors with bolt holes 104 mm apart, including four M10 x 1.5 mm threaded holes top and bottom 75 mm apart.
A low-side service valve is fitted to the rear cap, including a high-pressure relief valve.
An oil return fitting – 7/16-20 UNF male flare (Part No. 42203-000160) – is fitted on top of the compressor. It has a unique flow design suited to the Unicla oil separator (Part No. OS000030) and is interchangeable with the low-side service valve.
Consistent M12 x 1.0 mm access port size. Easy interchange of blanking plugs, service valves, oil return and pressure switch fittings.
| Type | 158 | 168 | 178 | 210 | 12V | 24V | HDC |
|---|---|---|---|---|---|---|---|
| AA-Groove | |||||||
| B-Groove | |||||||
| BB-Groove | |||||||
| 6-Groove | |||||||
| 8-Groove | |||||||
| 10-Groove |
Pulley measurements are in millimetres